美女免费高清在线观看电视剧_西西人体www大胆高清_8090新视觉理论电影电视剧免费观看_国产精品丝袜黑色高跟鞋

全國服務熱線021-64162222

電動執行器閥門首頁 > 產品展示 > 電動執行器 >

產品名稱:精小型電動執行器[ 2020-07-14 ]

訂購熱線:021-64162222
訂購傳真:021-62677999
質量穩定:實行全過程質量監控,細致入微全方位檢測!
價格合理:高效內部成本控制,減少了開支,讓利于客戶
交貨快捷:先進生產流水線,充足的備貨,縮短了交貨期!
  • 產品介紹
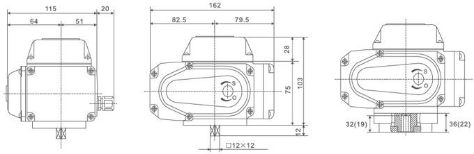
  • 規格尺寸
  • 結構圖片
  • 一、精小型電動執行器產品介紹

    上海湖泉閥門有限公司生產的精小型電動執行器采用進口電子部分元件,外殼采用優質鋁合金壓鑄件,主要有開關型(標準型)、無源觸點型、開度信號型三大類,近百種型號,它可與各種球閥、蝶閥等回轉型閥門相匹配;可選用AC110V、220V、380V、DC12V、24V電源;輸入信號有0-10mA、4-20mA或1-5V;輸出力距從6N*M~2000N*M,開閉時間從5~100秒廣泛適用于冶金、石油、化工、電力、制藥、造紙、能源、水處理、船舶、紡織、食品加工、樓宇自動化等領域。
     

    二、精小型電動執行器產品優點

    1、結構簡單輕便、緊湊,90°回轉啟閉迅速,亦可在任意位置安裝
    2、反饋輸出可選4-20mA、輔助開關及反饋電位器(0-1K)
    3、操作扭矩小,省力輕巧
    4、流量特性趨于直線,調節性能好
    5、多種控制信號,開關控制 ,比例(調節型)控制:0-10VDC或4-20mA
    6、防護等級達到IP67

     

    三、精小型電動執行器產品技術參數

    外    殼 防水級別 IP67,NEMA4 and 6
    電機電源 110/220V AC 單相,380/440V AC 3相, 50/60Hz, ±10%
    控制電源 110/220V AC 單相,50/60 Hz, ±10%
    控制信號 輸入輸出4-20mA
    電    機 鼠籠式異步電機
    限位開關 2 X 開/關, SPDT,250V AC 10A
    輔助限位開關 2 X 開/關, SPDT,250V AC 10A
    行    程 90°±10°  (180°/270°可選)
    失效保護/操作溫度 內置過熱保護,開120℃ ±5℃ /關 97℃  ±5℃
    指 示 器 連續的位置指示
    手動操作 機械手柄
    自鎖裝置 蝸輪,蝸桿機構提供自鎖
    機械限位 2個外部調整螺栓
    干 燥 器 7-10W (110/220V AC)防冷凝
    接 線 孔 2個M18
    環境溫度 -20℃-- +70℃
    潤    滑 鋁基潤滑脂(EP 型)
     
     
    型號  電源 
          性 能 參數
    HQ-105
    AC-DC24V AC110V AC220V AC380V
    電機功率 10W 10W 10W 6W
    額定電流 1.50A 0.24A 0.15A 0.07A
    標準時間/力矩 20S/50N.M
    可選時間/力矩 4S/20N.M
    10S/30N.M 
    4S/20N.
    M10S/30N.M
    60S/50N.M 
    回轉角度范圍 0-90°可調
    電流容量 2Ah
    可選控制電路 A型、B型、C型、D型、E型、F型、H型
    整機重量 3.0KG
    絕緣電阻 100MΩ
    耐壓等級 AC-DC24V:500VAC 1分鐘
    AC110V AC220V:1500VAC 1分鐘
    AC380V:1800VAC 1分鐘
    防護等級 IP67(可選IP68)
    安裝方法 360°任意角度安裝
    環境溫度 負20℃-正60℃
    選裝功能 過力矩保護、除濕加熱器
     

    四、精小型電動執行器產品注意事項

    1、通電時禁止手動操作。
    2、請不要安裝在易爆氣體周圍。
    3、禁止超負荷使用電動執行機構。
    4、請確定輸入電壓和配線接點是否正確。
    5、請務接錯電源相序,以免閥門或執行器損壞。
    6、戶外用時給電動執行機構外加防護蓋子,防止老化。
    7、用力不可過猛,否則會導致執行機構超程運行而造成損壞。
    8、開蓋后應擰緊密螺絲,防止進水或灰塵進入執行機構內部。

  • 五、精小型電動執行器產品性能參數

    型號 最大輸出扭矩 動作時間S 電機 額定電流 重量
    N.M AC DC AC DC AC24V AC110V AC220V AC380V DC24V DC220V KG
    HQ-05 50 30 10 10 15 2.2 0.48 0.24 0.15 1.2 0.15 3.4
    HQ-10 100 30 10 16 25 3 0.64 0.32 0.25 1.6 0.2 4.6
    HQ-16 160 30 10 23 25 3.8 0.68 0.35 0.25 1.6 0.2 4.6
    HQ-20 200 30 15 40 40 5 0.9 0.48 0.25 2.6 0.3 11
    HQ-40 400 30 15 60 60 5 0.9 0.48 0.25 2.6 0.3 11.8
    HQ-60 600 30 15 90 70 8.5 2 0.92 0.45 4.5 0.5 12
    HQ-100 1000 40 25 130 100 9 2.2 1 0.48 5.0 0.6 12.5
    HQ-200 2000 40 25 160 100 9.8 2.6 1.1 0.51 5.0 0.6 12.5

  • 六、精小型電動執行器產品結構圖

    精小型電動執行器原理圖



上一篇:多回轉閥門電動裝置 / 下一篇:部分回轉閥門電動裝置