美女免费高清在线观看电视剧_西西人体www大胆高清_8090新视觉理论电影电视剧免费观看_国产精品丝袜黑色高跟鞋

全國服務熱線021-64162222

閥門知識閥門首頁 > 閥門知識 >

電動閥門的正確接線方法和圖解

[ 2023-07-03 ]
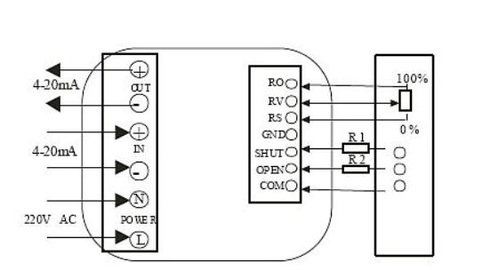
電動閥門的正確接線方法和圖解?電動閥一般交由電動執行機構及閥門連接起來,幾經安裝調試后才成為電動閥。它不僅可以實現開關作用,調節型電動閥還可以實現閥位調節功能。電動執行器的行程可分為:90°角行程和直行程兩種,特殊要求還可以滿足180°、270°、360°全行程。由角行程的電動執行器配合角行程的閥使用,實現閥門90°以內旋控制管道流體通斷;直行程的電動執行器配合直行程的閥使用,實現閥板上下動作控制管道流體通斷。2、電動閥使用電能作為動力來接通電動執行機構驅動閥門,實現閥門的的開關、調節...電動閥: 電動閥:電動調節閥(可以控制開度。可連續調節閥門)與電動閥(只能控制開關不能控制開度),交流一般3根線,火線、零線、地線。電磁閥:智能開關閥門不能控制開度。通電開,斷電自動關閉復位。電動調節閥接線:電源2根,開度控制2根,開度反饋2根,共六根。
電動閥門執行器按電源電壓一般可分交流(AC110V、AC220V、AC380V),直流(DC24V、DC12V),按控制方式分為有源開關式、無源開關式、電位計型、防爆型、調節型等。
電動閥門

通過下面不同的接線圖:

1、有源開關式,普通開關型帶有源燈指示接線圖
2、無源開關式,開關型無源觸點型帶反饋接線圖
3、開度式電位計型,開關型帶開度式接線圖
4、智能調節式,輸入輸出4-20mA,智能調節型接線圖
5、交流AC380V,帶無源觸點反饋,380V電源接線圖

電動閥的接線方法通常包括以下步驟:1. 確定控制器的電源和電壓:在接線之前,需要確定控制器的電源和電壓,確保電動閥與控制器的電源和電壓相同。2. 連接閥體:將電動閥與管道連接,并確保緊固。3. 接線:將電動閥的三根電線分別接到控制器對應的接線端子上。其中,一根為正極,一根為負極,還有一根為控制信號線。具體接線方法可按照電動閥和控制器的說明書進行連接。4. 調試:接線完成后,需要對電動閥進行調試。首先,確保控制器和電動閥的電源連接正確;其次,通過控制器發送信號,測試電動閥是否能夠正常工作;最后,檢查管道連接處是否漏水。需要注意的是,在接線過程中,要遵循安全操作規程,確保操作人員和設備的安全。
閥門

接線方式:三線制電動閥有F/R/N三條線,F代表正向動作(或者open動作)控制線,R代表反向動作(或者close動作)控制線,N代表地線。

電動閥特點:

  1. 結構十分簡單,使用壽命。2.適用于幾乎所有介質,粘度最大600mm2/s(厘斯)。3.耐高溫、耐化學腐蝕。4.防爆費用低,

    接線就明:
    白線:電源共用端
    紅線:電動閥開電源
    藍線:電動閥關電源
    綠線:信號反饋共用端
    黃線:閥門關時輸出信號電源(220V)
    黑線:閥門開時輸出信號電源(220V)
    (黃與黑線根據需要選擇,簡單反饋只需接其中上根就好了)
    電動閥門廠家
    如果是AC220V電源的,應該是7根線。1根公共線,1根開線,1根閉線,2根控制線,2根反饋線。如果是DC24V電源的,就是6根線。2根電源線,2根控制線,2根反饋線。

本文標題:電動閥門的正確接線方法和圖解 本文地址:http://m.mini361.com/tech/4602.html

上一篇:熱水管道應該用什么閥門比較好 / 下一篇:電動閥門的維護和保養要求有哪些